2009年轴承台架试验情况
发布时间:2013-08-22 浏览次数:1086
国家轴承质量监督检验中心
1 滚动轴承的试验
滚动轴承的寿命是轴承质量的综合反映,因此大家都非常重视轴承的寿命试验工作。轴承可能由于各种原因损坏,如安装不当、润滑不良及灰尘介质的侵入等原因,使轴承过早损坏,不能再正常使用。但在安装及润滑均正常的情况下,绝大部分轴承的损坏是疲劳失效。因此一般说的轴承寿命试验是指轴承的疲劳寿命试验或耐久性试验,就是轴承在给定的应力条件下,把轴承试验至疲劳失效,所经受的循环次数。近几年,随着试验技术的发展与普及,轴承寿命试验已经深入到国内各个生产企业。除疲劳寿命试验外,又延伸出轴承磨损寿命、精度寿命、噪音寿命等方面的寿命试验。在寿命试验的基础上还有轴承性能试验、模拟试验等。性能试验是指对轴承的某一方面特有的性能进行测试或试验,如密封性能、温升性能、摩擦力矩等。模拟试验是指模拟产品在主体上的安装与工作方式,设计试验方案,制定试验条件,考核产品可靠性的试验,如汽车离合器分离轴承台架模拟试验、轮毂轴承单元台架模拟试验等。
2 常规的寿命试验方法
深沟球轴承、滚子轴承、滚针轴承的寿命试验一般参照三个标准,GB/T 6391-2000《滚动轴承 额定动载荷和额定寿命》(等同ISO281∶1990),JB/T 50013-2000《滚动轴承 寿命及可靠性试验规程》,JB/T 50093-1997《滚动轴承 寿命及可靠性试验评定方法》。制定试验方案,评定产品的寿命可靠性。当接到一个产品的寿命试验任务时,首先了解委托方的需求,然后根据需求,结合试验标准制定试验方案。试验方案中应包括采用的试验方法,试验的样本容量,试验条件,试验结果的判定依据等。
试验方案:首先确定采用的试验方法,这里试验方法是指用什么样的方法来确定轴承试验时间。试验方法通常可分为完全试验法和非完全试验法,有时也称截尾试验法(定时截尾法,定数截尾法,分组淘汰法)。
样本容量:其次确定试验轴承的样本容量,在一个试验批次中取多少套轴承进行试验是合适的、合理的,即可对轴承的寿命特征做出公正性评定。在JB/T 50013-2000中,一个试验批次轴承的样本容量推荐10-20套合格产品,JB/T 50093-1997进一步要求试验的样本容量不少于8套。当然,样本容量取得越大,试验数据越具有代表性。由于受时间和费用的限制样本容量不可能取得太大。鉴于目前行业的质量水平,对一个批次的轴承进行寿命可靠性考核时,我们一般建议取8或12套轴承样品。
试验条件:主要涉及到试验的转速,施加的径向载荷和轴向载荷,以及采取的润滑方式等。试验转速一般不超过轴承极限转速的60%。当量动载荷P约为基本额定动载荷C的1/4,根据轴承的受力形式,当试验主轴的刚度和挠度许可时,当量动载荷可适当取大一些。润滑介质及方式是指脂润滑或者油润滑,如果是油润滑,是飞溅润滑、喷油润滑、还是油浴润滑。由这些试验条件即可计算出轴承的基本额定寿命
,按标准对产品质量考核时,试验时间不应低于轴承的基本额定寿命。
试验结果评定:一般应用数理统计的方法,对试验数据进行评定。当失效数据较少或没有出现失效数据,根据JB/T 50093对结果直接计算。当失效数据较多时,用画Weibull分布图法或Z佳线形不变估计,估算产品可靠性特征参数。
前面这些是参照国标和机械行业标准对轴承进行寿命可靠性试验的一个基本方法,轴承普通的使用场所按照这方法进行寿命试验,均可满足要求。有些用户根据轴承安装使用部位的重要程度,对轴承的寿命提出一些更高的要求,疲劳寿命试验时间要求达到3~5 L10,可靠度提高至95%~98%等等。轴承行业有产品等级认证,质量跨标杆,精品轴承认证等一系列的考核评定方法,促使企业提高产品的质量水平。
3 今年试验的基本情况
今年,截止到目前我们试验室共进行了83个批次的轴承试验,涉及到深沟球轴承、圆柱滚子轴承、圆锥滚子轴承、滚针轴承、汽车轮毂轴承单元等,深沟球轴承与圆锥滚子轴承是试验批次较多的两个轴承类型,深沟球轴承试验44个批次,圆锥滚子轴承试验18个批次。按轴承的用途划分试验,有59个批次为汽车用轴承的试验,占试验总量的70%左右。与往年相比,汽车用轴承的试验数量在逐步扩大。试验的类型有寿命可靠性试验,模拟试验,密封性能试验,其中寿命可靠性试验占主要部分。
从今年我们接受委托的寿命试验情况来看,轴承产品质量差别比较大。质量不好的产品在较短的时间内(没有达到行业标准要求)轴承出现疲劳失效,质量好的产品试验时间达到5 L10或8 L10时,甚至更长时间轴承还没有出现疲劳失效。球轴承试验48个批次,未达到要求的18个批次,占37.5%,滚子轴承试验27个批次,未达到要求的10个批次,占37%,这里未达到要求是指未达到标准要求或用户指定的要求。主要体现在几个方面,一农机使用的轴承和大尺寸的轴承合格率较低。农机使用的轴承大部分是价格低廉,未参加咱们行业统检的一些小企业的产品。大尺寸轴承质量主要还是在原材料加工方面存在的缺陷,如金属夹杂物,显微组织不好等。二用户的要求在逐步的提高。由以往按行业标准评判产品作为接收指标,更多的用户亲自委托送样,参照轴承的使用工况制定试验条件和接受标准,试验的条件与标准相比更加苛刻,试验时间比标准要求更高。
今年轴承的寿命试验中,汽车变速箱用轴承和车桥用轴承试验方法与以往相比,出现了一些新的要求,下面用两个公司委托的轴承试验案例来说明今年试验的一些特殊情况,以及试验发展的趋向。
4 试验的案例
4.1 案例一——变速箱用轴承的试验
这是一个汽车变速箱公司委托我们做的一个试验,在变速箱内一直使用的是国外某公司的轴承。出于质量和经济上的考虑,该公司近几年逐步在扩大轴承供应商的数量。对每一个新供应商的产品质量均要进行一个全面的考核,从零件尺寸、材料的热处理质量、成品以及寿命几个方面进行检验。目前他们正在使用的国外轴承与我们国内几个知名品牌的轴承进行对比试验,来考核我们国内轴承供应商的产品质量。对轴承寿命进行考核一般分两种方式,一种是磨损寿命试验,另一种疲劳寿命试验。
4.1.1 磨损寿命试验
用户对轴承使用寿命要求标准提高,在疲劳寿命达到行业标准的基础上,又对轴承的精度寿命、振动寿命提出了新的要求。不是把轴承疲劳失效作为判定标准,而是延伸到轴承的精度、振动变化情况,以检验轴承的磨损情况。NUP216圆柱滚子轴承一般只承受径向力,试验时用户要求承受联合载荷。试验前、每试验100小时,停机拆下轴承,检查挡边尺寸、滚子磨损,轴承的径向与轴向游隙,振动变化情况。当这些参数数值超出一定的要求时,也作为轴承的一种失效形式。如果轴承使用一段时间磨损严重,精度丧失,振动增大影响变速箱的性能也会发生变化。
4.1.2 疲劳寿命试验
从试验的环境,试验的方案,试验数据的计算处理等几个方面来说明这个试验的特殊性。
试验环境:由于变速箱润滑油中不可避免地会混入齿轮啮合、磨损产生的铁粉、磨粒。并且变速箱内润滑油的温度较高,润滑油老化产生一些异物,导致轴承工作的环境非常恶劣,尤其是轴承的润滑。用户对轴承润滑提出了一些要求,如润滑油品牌、粘度、机械杂质,润滑油的流量以及试验的过程中润滑油的过滤精度等。试验时润滑油的温度需模拟变速箱内轴承的工作环境温度,加热润滑油对轴承进行试验。润滑油型号选用嘉实多公司的Epx 80W/90合成油,润滑油温度要求85~95℃,试验过程中保持对润滑油一直加热,定期化验润滑油的指标参数是否符合要求。
试验方案:在这个试验中,国内外供应商各选7组,每组4套轴承,每个供应商的轴承试验28套。采用分组淘汰的试验方法,即每组4套轴承中,有一套出现疲劳失效,则该组4套轴承一起停试,换下一组轴承继续试验。
以其中一个深沟球轴承6214为例,制定试验条件,转速n=2500 r/min,径向载荷Fr=22.3 kN,当量动载荷/额定动载荷比值P/C=0.35,基本额定寿命L10=155 h,预定试验时间3 L10。计算机自动记录运行时间、温度、振动,轴承疲劳失效自动报警,停机。试验时间历时4个多月,试验至预定的时间前,两个供应商的14组轴承全部出现了疲劳失效,部分轴承疲劳失效的图片见图1、图2。

图1 国外轴承的疲劳失效图片
图2 国内轴承的疲劳失效图片
试验疲劳失效的具体数据见表1。
表1 两组轴承疲劳失效数据
试验数据的分析处理,把失效数据画在Weibull分布图上,估算可靠性特征参数的值。Weibull分布见图3,可靠性特征参数见表2。
图3 两组轴承的Weibull分布图
表2 两组产品寿命可靠性特征参数
4.2 案例二——车桥用圆锥滚子轴承试验
车桥用圆锥滚子轴承大部分时间内承受联合载荷,既有径向力,又有轴向力。试验时的受力形式模拟这种实际的状况施加联合载荷。一般参照GB/T 6391-2000、JB/T 50013-2000 、JB/T 50093-1997这三个标准制定试验方案,考核产品的寿命可靠性。90年代中期,我们国内引用了德国大众、奥迪汽车公司的一个轴承试验规范,P-VW2006《滚动轴承 动载荷承载能力试验规范》。这个规范中对圆锥滚子轴承的寿命试验,轴承承受的载荷为纯轴向载荷,这种加载方式其实JB/T 50013-2000中加载方式的一个特例。由于加载方式简单,轴承的受力条件较好,加载的范围较宽,可以缩短试验的时间,所以这种加载方式在国内得到了普遍的应用。两种加载方式,无论承受联合载荷还是纯轴向载荷,一台试验机一次只能安装2套轴承同时试验。
这个试验案例是国外一个公司委托我们做的试验,他们对轴承试验的要求比我们国内要求的更高,更加详细,全面。对试验条件中的参数(载荷、转速)稳定性和精度,试验过程中有详细的跟踪记录,每天试验的进展情况,试验过程中是否出现异常情况,以及对出现异常情况的处理方法等要求给出书面的信息。下面是其中两个英制圆锥滚子轴承F10588和594A/592A的具体情况。
4.2.1 轴承594A/592A进行寿命对比试验
594A/592A共4组轴承,分别为4个不同生产工厂的产品,进行寿命对比试验。每组试验8套,每组试验出5个疲劳数据,比较4组产品的可靠性水平。试验的条件是转速2000 rpm,径向载荷Fr=37.2 kN,轴向载荷Fa=44.5 kN,计算寿命L10=216 h。润滑油BP公司SGX-A75W/90润滑油,润滑油的温度63±5℃,过滤精度10μm。试验时轴承安装方式要求与深沟球轴承一样,一次4套轴承同时试验。这种安装方式是近几年在国内开始尝试试验的一种方式,在一定的时间内,这种安装方式试验轴承的数量较多,与国外要求试验尽可能多的样品是一致的,试验的样本容量越大,越能说明产品的质量水平。试验轴承的安装示意图见图4。
图4 圆锥滚子轴承试验安装示意图
这种安装方式难点是中间两套轴承的安装与游隙的测量。如游隙调整不当,对试验的结果影响很大。预紧力和负游隙过大,轴承实际承受的轴向载荷也大,在短时间内轴承就会疲劳失效,甚至会出现烧伤。如果游隙存在过大,承受径向载荷后,内外圈旋转时不同心,滚子偏离滚道中心,出现非正常的疲劳失效。安装时要求0游隙,或轻微负游隙。这种安装方式缺点四套轴承的试验条件不完全相同,1号和4号工位轴承的承受轴向力偏大,2号和3号工位轴承的承受轴向力偏小。试验的结果也印证了这一点,4号工位疲劳失效的轴承较多。目前由于这个试验在进行之中,还没有对试验的结果作全面的比较分析。轴承疲劳失效的典型图片见图5。
图5 594A/592A轴承的疲劳失效典型图片
4.2.2 轴承F10588加速模拟试验
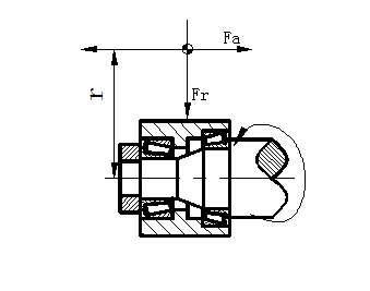
加速模拟试验,就是模拟轴承在轮毂上的安装方式及承载情况制定试验条件来考核产品的质量水平。但试验条件与使用工况并不完全相同,在实际工况的基础上,增大载荷,提高试验转速,缩短试验时间,达到检验、考核轴承疲劳寿命的目的。轴承的安装方式见图6。
图6 圆锥滚子轴承模拟试验安装示意
轴承试验条件模拟汽车行驶过程中轴承的受力状况,施加一个恒定不变的径向载荷,在轴向施加一个方向和大小均发生变化的轴向载荷,轴承实际上受到一个前后变换轴向弯矩。根据轴承F10588在汽车上承载情况制定如下试验方案,见表3。
表3 轮毂轴承加速模拟试验方案
相对于常规试验,模拟试验转速较低,对于商务车、卡车用的轮毂轴承转速一般不超过1000 rpm,轻型车转速不超过1500 rpm。轴向加载的力臂r长度与实际的车轮半径相当。施加载荷的大小与车轴上Z大允许载重、转弯时垂直载荷转移有关。在预定的试验时间内,载荷按一定的频率进行周期性变换,一般是由轴承用户根据汽车载重和行驶状况,制定试验条件及结果验收准则。
5 结束语
前几年,对轴承寿命可靠性的考核,一般是以现行国标、机械行业标准为依据,制定试验条件,对试验结果进行判定。近几年,随着用户对产品质量要求的提高,轴承寿命在满足现行标准的基础上,又提出了更高的要求。如提高产品可靠度,试验过程中改变转速、载荷以及环境温度,对润滑油加热等方法来检验产品的寿命可靠性。随着试验技术的发展,对轴承寿命的考核由单一常规试验发展到常规试验,性能试验及模拟试验并用的阶段。同时用户对产品质量和试验要求的提高,也促使我们提高试验技术水平,开发新型试验机来满足用户需求,以服务于用户、服务好轴承行业。