车桥总成轴承压装机的机构设计及实现
发布时间:2013-06-05 浏览次数:831
黄芝刚
(方盛车桥(柳州)有限公司,广西 柳州 545006)
摘 要:运用UG、Auto CAD等软件的功能,设计了一种适用于车桥总成装配线上轴承装配代替人工劳动的结构简单、成本低廉、工作稳定、品质保证、易于控制的轴承压装机,可提高装配效率。介绍了轴承压装机的整体结构、工作流程、液压驱动和关键技术说明,在车桥生产制造行业,具有推广应用意义。
关键词:轴承压装;机构;生产效率
在车桥装配生产线上,重型车桥体总质量大,体积大,且长度长(工件质量达1150kg,Z长2240mm,宽850mm,高800mm),按常规的压装方法,存在着定位及夹紧困难、设备机体庞大、设计及制造成本都很高及实现难度大的问题。而通过设计制作卧式双头联动轴承压装机,可以很好解决以上问题,实现对车桥总成轴承的压装。
1 整体机械结构
根据装配生产线的要求,桥总成轴承压装机的整体机械结构如图1,将整套机构固定在车桥装配线上。

图1 轴承压装机整体结构图
该轴承压装机主要由升降体、压装体、龙门架、机架体、定位装置、电控系统、液压系统组成,各部分功能简介如下:
升降体———利用升降油缸将机架体举升及下降至桥总成压装合适位置;单点万向节及双链柔性吊挂,可以保证压装机架可在一定角度内偏摆和旋转,对个别摆放不正的工件可自适应找正;
龙门架———将机架体及升降体固定在装配生产线上;框架结构,保证整体简单轻便;
压装体———由压装油缸及压头组成,更换不同压头,可适应不同品种桥总成;
机架体———利用工件本身和机架体自重进行自定位,定位装置可快速调整;
液压系统———其主要作用是负责整个压装机的所有动作的动力;
电控系统———控制压装机的动作;
2 工作流程
轴承压装机固定在装配生产线上,简化后运作示意图如图2。

图2 轴承压装机在装配生产线运作示意图
在装配生产线上,装配小车行进到轴承压装机岗位。(1)升降油缸将机架体下降,桥总成合适位置;(2)左右压装油缸同时压装轴承,轴承到位后保压,压头退出;(3)压装完毕,机架体上升,完成桥总成轴承压装。
3 液压驱动
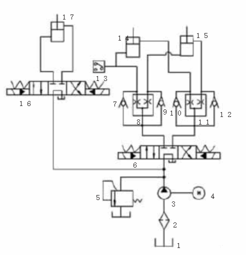
液压系统是轴承压装机的一个组成部分,液压系统的设计要同压装机的整体结构同时进行。着手设计时,必须从实际情况出发,充分发挥液压传动的优点,力求设计出结构简单、工作可靠、成本低、效率高、操作简单、维修方便的液压系统。因此,该轴承压装机的液压控制原理如图3所示。

1.油箱;2.过滤器;3.泵;4.电机马达;5.溢流阀;6、16.三位四通电磁阀;7、9、10、12.单向阀;8、11.分流阀;13.继电器;14、 15.压紧液压缸;17.升降液压缸
4 轴承压装机的关键技术说明
(1)压力自封闭设计,双头联动压装:车桥工件重量大、体积大、长度大,按常规双边单进给的压装方法,需要对工件进行定位和夹紧,还需抵消压装的反作用力,使得设备的机体庞大臃肿。而用压力自封闭和双头联动压装的设计使得机架体简易轻便;
(2)压装机悬挂设计,实现在线压装:车桥壳体为冲压件或铸造件,外表面多不加工,且壳体上焊接的附件多,形状不规则,难以在工件上取受力点;如采用常规的压装方式,就需要将工件转移到压装平台上,就要制作专用的压装平台;而采用悬挂设计的压装机体,避免了工件转移的麻烦,可直接完成在装配流水线上的压装工作;
(3)单点万向及柔性吊点设计,压装机架可偏摆和旋转:车桥产品系列变型品种多,长度、宽度、高度变化很大,还有桥壳体上焊接的附件也变化很大,桥壳放在装配架上的高低和偏摆变化较大,工件在装配架上没有很准确的定位,要求压装机对工件不同摆放状态有很强的适应和自调节能力;此压装机体采用单点万向节和双链条结合吊挂,可以大幅度偏摆和旋转,对工件的适应性强,且不用夹紧工件;
(4)半自动化控制,操作简单、省力:电液系统采用PLC控制,对压装过程动作按设定顺序进行,结合遥控按钮盒,只需工人操作两个按钮即可完成全部压装工作,操作方便。
5 结论
通过采用轴承压装机机构设计方法,可适用于有压装需要的、长度和体积都较大的工件,采用悬挂方式即可用于流水装配线的在线压装,机构简单实用。由于其压装机构适用性广,使用方便,可降低操作者劳动强度,较好的提高生产效率,在国内车桥生产制造行业当中,有着很大的推广应用意义。本成果获得(2007年度)广西重工业先进工艺工装设备制造三等奖。
参考文献:
[1]许福玲,陈尧明.液压与气压传动[M].北京:机械工业出版社,2004.
[2]吴宗泽.机械设计师手册[M].北京:机械工业出版社,2002.
[3]黎启柏,刘树道,等.液压元件手册[M].北京:冶金工业出版社.机械工业出版社,1999.
来源:《装备制造技术》2010年09期