X6232B万能回转头铣床主轴制动电路的改进
发布时间:2013-05-17 浏览次数:727
林枝繁
(一拖公司模具厂)
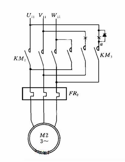
我单位近几年陆续购进了几台长征机床厂生产的X6232B万能回转头铣床,多次出现主轴电机法兰盘螺钉扭断,主轴变速齿轮打坏的故障。
该铣床主轴制动采用的是瞬时反接制动(主电路如附图所示),按下停止按钮后,控制电路使KM
2断开,然后KM
3瞬时通断一次(接通时间大约0.1s),进行反接制动。本电路与传统电路相比,省去了速度继电器和直流制动电路,但制动强度大,极易打坏齿轮、扭断电机法兰盘螺钉。
解决的办法是对主电路略作改动,将瞬时反接制动改为瞬时脉动直流制动。具体办法如附图所示,在“×”处断开电路,在触点a与U
11间串入一只整流二极管,不用考虑二极管的极性,二极管型号是耐压1000V的2CZ5,由于接入电路的时间很短,所以二极管不必加散热片。对几台机床改进两年来,未再出现同类故障。虽然制动强度有所降低,但完全能够在2~4s内使主轴完全停止。
KM
3的另一个作用是在主轴变速冲动时瞬时通断一次,使齿轮得以很好啮合。电路改进后,由于瞬时接通时进入电机的电流近乎于单相半波,所以电机仍有很好的冲动,能够满足齿轮啮合的需要。

来源:《制造技术与机床》1998年03期