最新资讯
联系方式

轴承在港口大型起重设备中的应用与保养

发布时间:2013-02-16 浏览次数:781

何青
(广州港工程设计院有限公司)
  摘 要:港口大型起重设备是港口装卸作业的主力设备。在这些设备中,轴承是应用Z广泛的零部件,介绍了轴承在港口大型起重设备中的相关应用。着重介绍了对轴承正确的保养方法及注意事项,可供参考。
  关键词:港口;大型起重设备;轴承;应用;保养
  港口大型起重设备,包括岸边集装箱起重机、龙门式起重机、门座式起重机等,都是港口装卸作业的主要起重设备。随着起重机械技术的不断发展,对各种工况要求的提高,同时要求所组成设备的各个环节技术含量的提高。轴承作为机械中用来支撑固定轴并承担载荷的主要部件,其作用显而易见。如果没有各类轴承的使用,设备的各个动作将无法正常运行。海港使用的大型起重机长期处在盐雾多、湿度大及温差变化大的海洋性气候条件下工作。在内河港工作的大型起重机同样会受到工业大气、恶劣气候的影响;港口的大型设备在运行时,多个动作同时进行,多种载荷同时叠加,这些都对轴承的使用具有较大的影响。在港口的大型起重设备中,各类轴承如何正确地应用到设备的各个机构中,如何对轴承正确地保养,下面将加以详述。
  1 轴承的应用
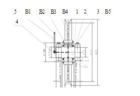
  滚动轴承在港口大型起重设备中应用Z为广泛。例如,上海振华港机公司生产的岸边集装箱起重机的滑轮多数都采用422XX系列的圆柱滚子轴承(图1中B2所示)。货物的起吊都是通过钢丝绳受力进行动作的。钢丝绳必须通过滑轮进行力的变向与分配,而轴承正是承载滑轮运行的主要部件。起升机构的滑轮轴承主要是承受径向、重负荷,用于高转速。422XX系列的轴承为内圈单挡边圆柱滚子轴承,其挡边结合滚子的特殊设计和表面处理,能产生良好的润滑效果和减少摩擦,其中一个带挡边的套圈是与滚子和保持架组件连在一起的,可与另一个套圈分离,可以在一个方向作轴向定位,因此也便于安装和拆卸。此类轴承可以允许因热膨胀造成轴与轴承座之间有一定的轴向位移(图2所示)。由于轴向位移是在轴承内发生,而不是产生在内圈与轴或外圈与轴承座之间,因此当轴承在转动时,摩擦并无明显增加,可有效降低轴承的运行温度,适合像起升机构类似的高速动作。值得注意的是,在一些较早生产的港口起重设备的配置中,其滑轮并无端盖的设置,这就使污染物、湿气等极易进入轴承内部,影响轴承的使用寿命。所有遇到这种情况时,可以选择带有密封圈或防尘盖的轴承。
图1  起升滑轮装配
1)轴套;2)滑轮轴;3)轴承座;4)加油接头;5)油管;B1)油嘴;B2)422XX系列轴承;B3)滑轮;B4)油封;B5)螺栓
图2  轴承内部的轴向位移
  港口大型起重设备的小车机构是非常重要的一个运行机构,其相关轴承的应用也十分关键。用于小车机构的轴承主要是布置在小车的车轮装配中。例如,上海振华港机公司生产的龙门式起重机小车车轮装配一般都采用223XX系列的调心滚子轴承(图3中B7所示)。由于此类调心滚子轴承是内圈有双列滚道,外圈滚道设计为球面滚道,滚子为鼓形的轴承,外圈滚道面中心与轴承中心一致,因此具有自动调心性能,且能承受轴与轴承座之间的角度误差。即使由于在轴与轴承座之间有安装误差或轴有挠曲,使内外圈产生倾斜的场合下亦能正常使用。
  又由于其是滚子轴承,所以能承载的径向负荷能力大,能承受重大荷重及冲击负荷。龙门式起重机的小车机构在吊取重物并在小车轨道上作高速移动时,不可避免会产生频繁振动和冲击载荷。223XX系列轴承在小车车轮装配中的应用正能符合此类工况。值得注意的是,虽然调心滚子轴承允许内圈与外圈之间有一定的角度误差,但必须在其误差值内,否则会直接影响到轴承的性能。在一般工作条件下,调心滚子轴承内外圈之间的允许角度误差值可参见表(1)。能否完全引用这些数值还要取决于轴承配置的设计和所用的密封类型等。另外,在港口大型起重设备中所用到的调心滚子轴承一般都选用冲压钢保持架。
图3  小车车轮装配
  3)通盖;4)铜垫片;12)闷盖;B1)油嘴;B7)223XX系列轴承
表1  滚子轴承内外圈之间允许角度误差值
(注:尺寸单位mm)
  在港口大型起重设备中还会用到各类滑动轴承。例如,球眼杆端关节轴承常应用在吊具旋锁机构中。由于吊具的旋锁机构会经常开、闭锁从而受到频繁地冲击载荷,球眼杆端关节轴承的螺纹杆端是一个应力集中点,所以此类轴承经常会在螺杆段出现断裂。轴承的生产厂家可以适当提高螺杆段材质或进行工艺的改进。推力关节轴承(如:GX42/K)常应用在吊具的旋锁座中,以适应锁头往复摆动的工况。自润滑向心关节轴承(如:CSB650GT)一般用在岸边集装箱起重机前、后桥铰点处。
  2 轴承的保养
  轴承损坏的原因很多:超出原先预计的负载、非有效的密封、过紧的配合所导致的过小轴承间隙等。大体来说,有三分之一的轴承损坏源于疲劳损坏,三分之一是由于润滑不良,三分之一是由于污染物进入轴承或安装处理不当。疲劳是负载表面下剪应力周期性出现所形成的结果。经过一段时间后,这些剪应力便引发微小的裂纹,然后渐渐地延伸至表面。当滚动件经过这些裂纹后,便有裂块脱落,形成所谓的剥皮现象。随着应力的增加及裂块的增多,导致剥皮面积的蔓延。这种破坏形式的过程通常会持续很长一段时间,其明显可见的阶段是在噪音及振动增加的时候。因此,在轴承完全破坏前,它提供使用者足够的时间发现它并进行更换。对于港口大型起重设备,如岸边集装箱起重机、龙门式起重机,其主起升机构、小车机构的轴承更换周期一般为25000h,门座式起重机大车机构、变幅机构的轴承更换周期一般在6300~10000h。其具体更换时间取决于轴承实际的使用情况与保养状态。
  轴心的歪斜会导致机器各部位出现故障,特别对于港口大型起重设备,其各机构的基本原理都是由电动机输入给减速箱增大扭矩再输出给各传动件。所以在运行机构各部件的排装中,中心线的调整尤为重要,正确的对心工作是预防保养工作中非常重要的一环。基本的不对心型式有两种,一种为平行式,一种为角度式(如图4所示)。然而实际的情况通常是这两种型式的组合。歪斜的轴心会产生一弯矩。此弯矩会在驱动单元与被驱动单元内的轴承产生反作用力。由于不对心所增加的约20%负荷将降低轴承寿命的50%。另外一种后果即是油封的磨耗,随而导致污染物进入轴承或漏油,带来轴承的损坏危机。因此,正确的对心工作可改善轴承与油封的使用寿命。对于高能耗的港口大型起重设备而言,可减少振动、噪音及能源的消耗。中心线的调整常运用千分表等工具。对于港口大型起重设备的电机、减速箱等传动件的排装,一般将端面跳动量控制在0.1mm以内,径向跳动量控制在0.05mm以内。
图4  两种不对心的型式
  为确保轴承有效及可靠地运行,必须有充分的润滑,以防止滚动体、滚道和保持架之间发生直接的金属与金属接触。润滑剂可降低摩擦,同时又可减少磨损与腐蚀,防止固体与液体对轴承的污染。因此,根据各种轴承的具体应用情况选择合适的润滑剂和润滑方法与正确的维护同样重要。润滑剂的选择主要取决于轴承的工作条件,例如温度范围和转速,以及周围环境的影响。对于常用轴承一般可采用脂润滑或油润滑的方法。例如,港口起重设备大大小小电机的轴承保养中通常采用高速润滑脂进行润滑。以Z少量的润滑剂,保持轴承运行的可靠性,可以达到Z理想的工作温度。由于机械功、老化和污染物的积聚,轴承中的润滑剂会逐渐失去其润滑功能。因此需要定期补充或更换润滑剂。对于港口各类大型起重设备来说,除了像减速箱等内部进行油自润滑的轴承外,大部分部位的轴承一般都采用锂基脂的润滑保养。需要说明的是,一些设备的润滑系统采用集中润滑型式。这样可以在一个点方便地对多个部位的轴承进行润滑保养。但由于是多根油管汇集,各油管的长度不一,有些甚至可能达到几米,时间长了油管内的润滑脂可能干硬,造成油管堵塞或出现润滑脂变质,影响轴承性能及降低其寿命。所以,一定时间应将油管拆出,进行彻底清理疏通,从而保证对轴承的良好润滑。
  3 结 语
  在港口各种大型起重设备中,大到上千吨的支撑结构、小到直径几厘米的关节铰点,这些都需要不同种类的轴承的应用。各种轴承类型因其设计而独具特性。每一种轴承型式皆是根据特定的轴承应用要求而设计,不正确的替换可能会导致使用寿命的缩短及影响到机器设备的正常功能。所以,根据设备使用的不同环境及各种工况选择适当的轴承是十分重要的。同时,轴承的安装、拆卸,润滑及保养等方法也是值得注意的。随着当今各港口货运吞吐量的高速增长,港口设备的大型化、技术的高新化已成为普遍趋势,轴承作为组成大型设备的关键零部件,在保证可靠性的同时如何进一步提高其性能与工作寿命将是以后长期需要研究的课题。
  参考文献
  [1]蒋国仁. 港口起重机械[M]. 武汉理工大学,2003.
  [2]成大先. 机械设计手册[M]. 化学工业出版社,2008.
  [3]SKF轴承综合型录[M]. 2004
服务热线:15618632192 / 15618783363
版权所有 © 上海堃旌轴承有限公司      ICP备:沪ICP备18003889号