最新资讯
联系方式

带座外球面轴承寿命试验机的设计

发布时间:2013-01-16 浏览次数:728

作者:李荣德1,2 殷政伟1 贾虹2
(1.河南科技大学,河南 洛阳 471003;2.洛阳轴承研究所,河南 洛阳 471039)
  摘 要:为探讨外球面轴承在广泛应用中的可靠性,研制了带座外球轴承寿命试验机。阐述了试验机的主要结构、加载系统工作原理及测控系统的主要功能。
  关键词:外球面轴承;试验机;载荷谱;液压加载;测控系统
  带座外球面轴承结构紧凑、密封可靠、装拆方便,主要适应低速重载场合。在农业、纺织、采矿、冶金、化工、输送机械等领域有着广泛应用。目前,随着外球面轴承的需求及应用范围不断扩大,外球面轴承生产企业及轴承用户对外球面轴承的寿命可靠性要求愈来愈严格,开展外球面轴承的寿命试验已成为行业的必须。为此我们设计了能对试验轴承施加载荷谱、速度谱的自动测控试验装置-带座外球面轴承寿命试验机。
  1 试验机的主要技术参数
  试验机按下列参数进行设计:
  1) 试验轴承内径:Φ50—Φ100mm。
  2) 试验机的Z大径向载荷:100KN,误差≤±2%FS。
  3) 试验机Z高转速:3500r/min,误差≤±2%FS。
  4) 测控方式:微机自动控制、自动监测、自动报警停机和自动记录。
  5) 测量参数:温度、转速、主机电流、振动和径向载荷。
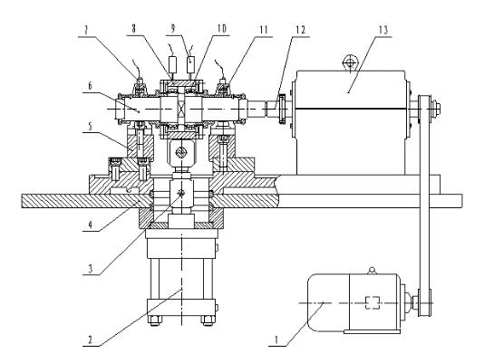
  2 试验机主体结构特点
  主体结构如图1所示,轴系是整个试验装置的核心部分,试验主轴采用简支梁结构,两套试验轴承对称地布置于主轴两端,在轴承座上装有温度传感器和振动传感器,分别监测轴承外圈的温度与轴系的振动状态。为了提高试验主轴的刚度,须合理设计两轴承之间的跨距l。以试验轴承UCP213为例:其额定动载荷Cr为44kN,根据滚动轴承寿命及可靠性试验规程,试验当量载荷Pr取20kN,轴的弹性模量E为210GPa,由简支梁(如图2)的变形公式及设计原理,可得其主轴的Z大挠度,且;其中I为主轴转动惯量,,D取65mm。则;考虑到外球面轴承的宽度和其可调心性,以及对其它规格轴承进行试验的互换性,选取两试验轴承之间的跨距为240mm。
  试验机动力源为交流变频电机,其拖动传动轴(传动装置)旋转,传动轴再通过联轴节带动试验主轴,其中联轴节采用高强度尼龙绳联接,可大幅度减少主轴与传动装置不同心时所导致的外力干涉。根据试验机的技术参数,Z大径向载荷为100kN,选取液压缸FA-150-R60-S50-70k,液压缸经力传感器把作用力加在承载套上,通过承载轴承与主轴,对外球面轴承进行加载,载荷大小由计算机载荷谱指令,力传感器和液压系统中的比例减压阀实现闭环控制。试验其它规格轴承时,只需更换调整垫块、主轴及与轴系配合的零件即可进行试验。
  此试验机主体结构符合外球面轴承的工况要求,可靠性高,操作简单、方便。
1.变频电机;2.液压缸;3.力传感器;4.工作台面;5.调节垫块;6.主轴;7.振动传感器(两套);8.承载套;9.温度传感器(四套);10.加载轴承;11.带座外球面轴承;12.联轴节;13.传动装置
图1 试验主体结构图
图2 简支梁
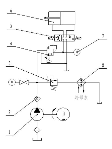
  3 加载系统                   
  加载系统采用比例液压技术加载,液压原理如图3所示。液压加载系统由油泵、过滤器、溢流阀、比例减压阀、冷却器和换向阀等元件组成。工作时,两压力表分别显示泵后油压与液压缸油压,载荷大小由比例减压阀控制,根据被试轴承的载荷要求,在载荷谱中输入载荷的大小和加载时间及转速,通过计算机的自动控制,就可实现加载。载荷谱可根据不同试验要求进行编制。
1.油泵;2.过滤器;3.溢流阀;4.比例阀;5.电磁换向阀;6.加载油缸;7.压力表;8.冷却器
图3 液压原理图
  4 测控系统
  测控系统(如图4)是整台试验机的重要部分,由计算机系统、电控系统、加载控制系统、变频驱动系统、传感器测量系统组成,通过测控软件,利用RS-485通讯模块,可以监测主机转速、电流、电压等参数。利用温度、振动、压力传感器,可以监测轴承温度、振动以及载荷等信号。整个测控系统可以自动控制试验机运转程序,精确依预设试验转速谱和载荷谱进行试验,自动测控并记录试验参数。试验时出现异常情况则自动报警、停机,并记录报警原因、时间等。
图4 测控系统原理图
  5 结论
  该试验机结构简单、装拆方便;加载灵敏、精度高;全部由计算机自动控制,无需人员看守。其功能主要在于考核带座外球面轴承的使用寿命,及模拟轴承在负载与运转工况下的主要性能,通过对试验结果的分析,找出轴承的缺陷和不足,改进加工技术以及设计参数,从而提高轴承的质量和应用的可靠性。
来源:《轴承》2008年06期
服务热线:15618632192 / 15618783363
版权所有 © 上海堃旌轴承有限公司      ICP备:沪ICP备18003889号