询盘留言
首页
关于我们
企业介绍
企业风采
企业理念
生产流程
销售网络
质量检测
产品选型
微型轴承
不锈钢轴承
陶瓷轴承
深沟球轴承
薄壁轴承
滚针轴承
外球面轴承
角接触轴承
关节轴承
直线轴承
非标定制轴承
热门轴承
资格认证
最新资讯
企业新闻
行业新闻
轴承知识
技术支持
解决方案
汽车轴承
牙钻轴承
仪表轴承
电机轴承
气枪轴承
溜溜球轴承
滑板和滑冰鞋
自行车轴承
渔具轴承
水泵轴承
齿轮箱轴承
纺织轴承
发电机轴承
烘烤业轴承
食品机械轴承
空调轴承
人力资源
联系我们
最新资讯
企业新闻
行业新闻
轴承知识
联系方式
上海堃旌轴承有限公司
电 话:15618632192
邮 箱:sales@kunjingbearing.com
地 址:上海市松江区连富路388号
首页
>
轴承知识
基于SolidWorks建立轴承标准件库方法的探究
发布时间:2012-12-03 浏览次数:596
作者:姜玉珍
(苏州工业职业技术学院机电系)
摘 要:针对机械设计中大量使用标准件的问题,从建立轴承库入手,利用SolidWorks软件环境进行轴承的建模,对常用的几种建模方法进行了分析和探讨,提出了装配特征建模法。在此基础上建立了轴承标准件库,并阐述了库的实际应用。
关键词:建模方法;建库;应用
Solidworks是一个基于特征、参数化的实体造型系统,具有强大的实体建模功能,同时也提供了二次开发的环境和开放的数据结构。随着机械产品的不断更新,产品的设计日趋频繁,在机械设计过程中,常涉及大量的标准件和通用件,如螺钉、螺母、垫圈、轴承等,这些元件将在设计时反复地在装配体的不同位置被选用,而且规格大小各不相同,如果能够建立一个标准件或通用件的模型库,设计者在选择某规格的标准件时,可方便地从库中取出,然后插入到装配体的指定位置,将大大简化设计工作,提高设计效率。但SolidWorks并没有提供符合我国国家标准的标准件、通用件库,在此背景下本文对SolidWorks进行了二次开发,通过建模创建符合我国国家标准的轴承库。
1 目前常用建模方法
建立标准件库,首要问题是建模方法选择。而目前常用的两种建模方法中都存在一定程度的不足。现以轴承为例,介绍常用的建模方法如下:
1.1 单个零件建模的优缺点
将轴承的内圈、外圈、滚动体等按一个零件建模。优点是建模简单,通过对草图中除内圈直径、外圈直径、轴环宽度以外的次要尺寸添加相应的关系,只需输入几个关键尺寸,扩充配置十分方便,以满足装配要求。而此方法在处理图中的剖面线时较复杂,如在Solidworks中因组成轴承的各个零件是同一个实体,默认剖面线相同,因而需手工修改,不能使用自动剖面线,且Solidworks不允许有实体不连续,需对草图略作处理以避免建模错误。
1.2 零件组件建模的优缺点
建立组成轴承的内圈、外圈、滚动体,保持架的零件组,并建立相应的系列零件设计表,再将上述零件组装在一起。通过在装配中建立不同的配置,组合出各种轴承。这种方法在建模和装配中似乎无懈可击,但相当繁琐,在不同零件的尺寸之间建立关系式很困难,在扩充配置时,须对装配中的各个零件分别进行扩充配置后,才能在装配中建立新的配置。
2 利用装配特征建模
笔者经过反复实践与论证,总结出一种利用装配特征建模的方法,此种方法简单、实用并可方便地解决其他类似的系列装配问题,克服了上述的缺点。具体步骤如下:
2.1 创建零件名和装配名
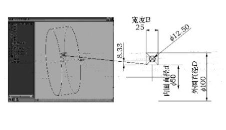
创建一新的零件取名为bearing_base.SLDPRT,在保证外形尺寸大于将要创建的Z大的轴承实例外形的情况下,尺寸可任意定(如图1),作为产生轴承各个零件的基础零件。
图1 轴承外形
创建一新的装配取名为CB/T276-94.SLDASM,将前面创建的零件bearing_base.SLDPRT插入到该装配中,此时在FeatureManager设计树中将该零件状态固定,接着再将该零件重复插入两次,通过添加一定的装配约束,使后两个零件与个零件位置完全重合(如图2)。
图2 零件的组装顺序
2.2 创建“布局草图”
在通过零件轴线的平面上创建一草图,命名为“布局草图”。该草图包含了轴承的内圈、外圈、滚动体的回转面(为简化模型省略了保持架的建模),整个草图由3个尺寸即内圈直径、外圈直径、轴环宽度控制。其余的尺寸由添加相应的关系来约束(如图3)。
图3 添加约束关系
2.3 创建“内圈”草图
创建名为“内圈”的草图(如图4),此草图的平面与此前创建的“布局草图”相同。其中轴承内圈外型由“布局草图”的相 应图元实体引用而来,大矩形框为底边与零件旋转轴对齐,其余各边对齐或大于零件的截面即可。
图4 轴承内圈
2.4 激活草图“内圈”
点击菜单插入→装配体特征→切除→旋转,并在特征有效范围中是选取插入的零件即是该特征仅对个零件有效,则该零件即可作为轴承的内圈(如图5)。
图5 编辑装配体
2.5 创建“滚动体”草图
创建一个名为“滚动体”的草图(如图6),其中圆形由“布局草图”的相应图元实体引用而来,大矩形框为底边与零件旋转轴对齐,其余各边对齐或大于零件的截面即可。
图6 滚动体
2.6 激活草图“滚动体”
点击菜单插入→装配体特征→切除→旋转,并在特征有效范围内选取第二个插入的零件(该特征仅对第二个零件有效),该零件即可成为轴承的滚动体(如图7)。
图7 编辑滚珠
将滚动体简化为圆环的优点:
(1)可减少建模工作量;
(2)建好的轴承可在通过轴线的任意方向剖切,都可得到典型的剖面。
2.7 创建“外圈”完成轴承
同理,再建立一个新草图名为“外圈”,点击菜单插入→装配体特征→切除→旋转,并在特征有效范围内,选取第三个插入的零件(该特征仅对第三个零件有效),该零件即可成为轴承的外圈。至此轴承创建完毕,通过更改系列零件设计表,可方便地添加或修改配置(如图8)。
图8 轴承模型
2.8 应用SolidWorks的功能建立轴承库
SolidWorks提供了基于excel表驱动参数化建模功能,以GB/T276-94深沟球轴承为例,建库的方法为:
(1)首先采用上述方式建立深沟球轴承的模型;
(2)点击“注解-显示特征尺寸”,然后点击菜单“工具”-选项-显示尺寸名称,模型显示,特征尺寸名称同时显示;
(3)点击菜单“插入-系列零件设计表”,出现ex-cel表格(图9),点击模型上需要参数化的尺寸,尺寸名称进入表格,输入另外两个模型的数据,即可完成轴承的建库。
图9 零件数据库
3 库的应用
以上述方法建立的轴承标准件库,已在实践中得到应用。设计者在图纸标准化,明细栏的生成、零件重量以及在同一装配中调入多个不同规格的配置时,均取得了显著的效果。就单一轴承零件模型而言,本方法建立的轴承在装配环境中具有装配体的全部特性(如允许爆炸视图)。本方法除了建模简单,参数控制方便以外,在库的管理上也较为理想。只要通过修改库中组成轴承各零件的参数,即可得到任意类型的轴承生成轴承系列装配件库。由此法可引伸出其他标准件与通用件的建库。
当然建库的模式并不局限于CAD软件之间,如进一步延伸,可建立基于Web的标准件库的查询系统,能便于不同的设计部门的资源共享,为提高异地协同设计和并行设计奠定基础。
来源:《中国制造业信息化》2010年19期
服务热线:15618632192 / 15618783363
产品导航
微型轴承
深沟球轴承
陶瓷轴承
不锈钢轴承
热门轴承
非标定制轴承
联系方式
电话: 15618632192
企业邮箱: sales@kunjingbearing.com
地址: 上海市松江区连富路388号
站点地图
关于我们
产品选型
最新资讯
技术支持
解决方案
人力资源
移动平台
版权所有 © 上海堃旌轴承有限公司
ICP备:沪ICP备18003889号
返回顶部
15618632192
微信询价