基于神经网络的滚动轴承检测
发布时间:2012-07-10 浏览次数:1173
作者:庄哲民1 林志强2
(1.汕头大学电子工程系;2.东南大学电子工程系)
摘 要:本文介绍了一种基于人工神经网络进行滚动轴承故障检测的新方法,文中利用加速度计获得滚动轴承的动态振动信息,为滚动轴承建立了动态非线性神经网络模型,并利用该模型进行在线故障检测。实际使用证明该模型具有良好的收敛性和稳定性,完全能满足对滚动轴承故障的在线检测。
关键词:滚动轴承;神经网络;故障检测;非线性
1 引言
在工业应用系统中,滚动轴承是其中的重要部件。而滚动轴承引发的故障是引起机器设备失效的重要原因。特别是在高速重载条件下的滚动轴承,由于工作面接触应力的长期反复作用,极易引起疲劳、裂纹、剥蚀、压痕等故障,从而引发轴承产生如断裂、胶着、烧损等现象。而这些故障将会使轴承的旋转精度降低,产生震动、噪声,增加轴承旋转的阻力。Z终将使轴承受到阻滞和卡死,造成整个工业机械系统的失效。因此对轴承的故障检测显得非常重要。轴承故障检测方法很多,如振动分析,噪声分析,声强分析,电子听诊技术,温度检测,油样分析等[1]。其中振动分析是目前设计使用Z多的、也Z有效的方法之一。采用振动分析其本质是对轴承的振动信息进行时域或频域的分析,一般仍采用相关与频谱分析,倒频谱分析,概率密度分析等方法[2]。采用这些传统方法分析仍需要进行人工判别,不能在线地进行故障诊断。本文采用神经网络方法,利用轴承的振动信号为滚动轴承建立动态非线性模型,并利用该模型在线地实现对滚动轴承故障的自动测试诊断。
2 基本原理
研究表明,当轴承元件在负载旋转过程中出现疲劳、压痕或局部腐蚀等故障时将会对元件产生冲击振动,而这些振动反复互激,又引起更大振颤,可以用振动传感器(加速度计)获取滚动轴承的振动加速度信息。作为二次效应的振动加速度信号X可以看作是滚动轴承旋转角速度ω的非线性函数[1],对于这样一个动态非线性系统,可用如下离散系统加以描述,即:

式中 X(k)——加速度计的输出采样值
ω(k)——轴承内环旋转角速度的采样值
在此,完全可以应用神经网络构造轴承的非线性模型,并可依据该模型实现故障的在线检测。
3 基于神经网络的模型设计与故障诊断
对于(1)式,可用一个具有n+m+1个输入结点,一个输出结点的神经网络模拟[4],并通过进化学习实现轴承模型。如图1所示。

图1 滚动轴承神经网络模型的实现
该神经网络模型为具有一个隐层的前向网络,网络学习算法为反向传播算法(B-P算法)。网络权值调整按DELTA规则实现,

式中 wij——神经元权植
Zj——神经元输出
ηj——学习系数
δj——神经元的差值
实现时,选用一个润滑良好的正常滚动轴承作为神经网络模型的学习对象,通过用加速度传感器和转速计获取滚动轴承的振动信号和内环的转速。并输入给神经网络模型进行学习,初始时神经网络的权值设为随机数,当滚动轴承的测试数据进入神经网络以后,将产生一个振动信号输出估计值Z(k),该值与滚动轴承的实际振动信号X(k)差值δj,将用于权值Wij的更新算法中。只要滚动轴承的测试数据不断进入网络进行运算学习,网络的连接权Wij将不断由神经网络算法(2)所刷新。这样的学习过程通过多次回归运算,当均方误差MSE到达一个Z小值时,就可结束学习过程。此时网络权值也到达一个稳定的系数,此时的人工神经网络模型既是这个正常滚动轴承的非线性模型。可见只要提供足够正确的训练例集,就可保证滚动轴承动态非线性模型的准确性。
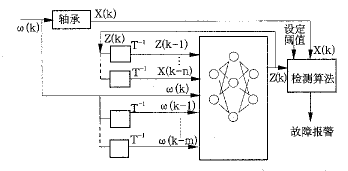
有了准确的轴承动态模型,就可在线地进行轴承故障诊断,实现方法如图2所示。

图2 滚动轴承故障监测的实现
其中的故障检测算法,采用几何距离分类中的L2Euclidean量度[3],即:

作为故障检测标准。滚动轴承在正常情况下量度距离值应小于设定阈值。当量度距离值应大于设定阈值时,即可认为轴承出现了劳损故障。由于神经网络模型与滚动轴承处于并行位置,所以可以在线地实现故障测试诊断。
4 实验与小结
如上所述,本文用加速度计获得滚动轴承的振动信息,从而建立了滚动轴承的非线性动态神经网络模型。实现了对滚动轴承的故障检测。实际使用中,用数据采集板共采集了2100个数据,神经网络模型的输入设定为m=n=3共7个输入端,使用中发现该神经网络具有良好的收敛性与稳定性。当学习系数η为0.23时,递归学习21000次左右,即可使MES达到了-90dB。适当地调整改变学习系数η,可改变网络算法的收敛速度。
滚动轴承的模型实现后进行故障监测时,为保证能在线实时监测诊断,进行L2Euclidean量度计算时,一般使用300~500个数据。实验表明当距离d大于0.25时,表明滚动轴承润滑缺少,当d大于0.36时,表明滚动轴承有了裂纹扩展轻度磨损,当d大于0.42时,表明滚动轴承有了中度磨损,当d大于0.52时,表明滚动轴承有了重度磨损。
实验中,采用MOTOROLA公司的MMAS40G加速度仪作为振动传感器。由于其灵敏度可达到40mV/g,且其线性度良好、易于安装,故可保证振动信息的准确获得。
总之,通过实际使用证明,采用人工神经网络方法对滚动轴承进行动态非线性建模实现在线故障测试,比传统方法具有更多的优点。该方法也同样适用于其它动态非线性系统的建模与故障诊断。
参考文献:
[1]虞和济.振动诊断的工程应用.北京:冶金工业出版社,1992,155~164.
[2]卢文祥.工程测试与信息处理.武汉:华中理工大学出版社,1994,35~65.
[3]王胜.故障诊断与性能监测.广州:华南理工大学出版社,1988,35~37.
[4]K.S.Narendra,K.Parthasarathy.Identification and Control of Dynamical Systems using Neural Networks.IEEE Trans.Neural networks,1990 1:4~27.
来源:《仪器仪表学报》 2000年01期